

【商品詳細】 ●商品の状態 新品・未使用品
●適合車種 日産
フェアレディZ GZ31 Z31 HGZ31 HZ31
グロリア バン VY30
グロリア バン VY30
グロリア PY30 Y30 WY30
セドリック バン VY30
セドリック ワゴン WY30
セドリック YPY30 PY30 Y30
レパード GF31 NF30
ローレル GC32
※上記車種にグレードや型式記載されている場合でも、年式・仕様等により適合しない場合が御座います。必ず実車に取付されている純正品番をご確認の上ご注文お願いします。
●ブランド 優良品になります。
純正品よりも大幅にお安くなっており、保証も付いております。
ISO認証取得工場にて製造・検査を行っており、純正品同等のクオリティを実現しています。仲介業者を通さない、工場直送の価格となっております。
SOL商品検索サイトより、ブランド情報や在庫状況を確認することが出来ます
(検索ボックスに下記の純正品番を入れて下さい)。
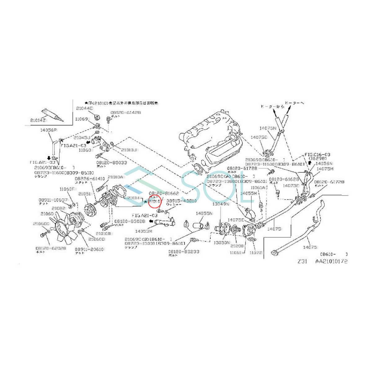
●商品名 ウォーターポンプ ボルト ガスケット付
●純正品番 21010-02P26 / 21010-02P27 / 21010-V5026 / 21010-V5025いずれかの取付車両に限ります。
※適合にご不安がある場合、ご注文前に車体番号をご連絡頂ければ当店にてお調べ致します。
●管理番号 2101002P26
●保証期間 商品到着後6か月間の商品保証を致します。
当店側のミスでお手元に届いた商品が違った場合は、商品到着後14日間以内での対応となりますので、速やかな商品確認をお願い致します。
保証内容はご購入頂いた商品のみとなります。
万が一商品に不具合が生じた場合新たに商品のご手配をさせて頂きますが、ご手配できない場合には商品代金のみご返金させて頂きます。
保証申請時には商品の不良申請書または診断結果および診断書【コピーでも可】・お車の車検証をご提出いただく必要がございます。
また症状や状態によっては商品の状態の確認がとれるお写真をいただく場合もございます。
商品交換時に発生する費用および損害等は保証できませんのでご了承下さい。
取付ミスによる不具合や破損、加工済は保証対象外となります。
●備考 商品画像はイメージとなっております。
品質向上等の理由から仕様が変更される場合があります。
入荷時期やロットによっては現車取付部品と形状が若干異なる場合がありますが、純正品番が一致していれば取り付けに支障ありません。
展開図は参考にしてください。
【INFORMATION】●送料ついて
システムでは表示されませんが
離島/中継料金が発生する地域 送料着払いになります。
●商品のおまとめについて
商品の追加、変更は承る事ができません。
複数商品のご購入をご検討されている場合は、当社
YAHOO!ショッピング店舗からご購入ください。
●発送方法について
当社指定の運送会社にて発送となります。
※運送便のご指定は一切できません。
※企業様宛ての時間指定はできませんのでご了承ください。
営業所留めを希望される場合、ご注文時にご希望の営業所名・営業所住所をご要望欄へご指定下さい。
※発送予定の運送会社を確認されたい方は、ご注文前に必ずお問い合わせください。
※商品詳細内に別途記載があれば、そちらが優先されます。
●発送のタイミングについて
当日発送18時まで可能です。
※一部の商品は当日発送16時までです。商品説明欄内で締切時間をご確認ください。
※下記該当の場合は当日発送できません。
・お支払方法が銀行振込みで、当日発送締切時間までにお振込みの確認が取れなかった場合。
・お支払が決済を挟むお支払い方法で、当日発送締切時間までに当社で決済の確認が取れなかった場合。
・当店が休みの場合(翌営業日の発送になります)。
●お取引に関してお振込の場合はご落札後5営業日以内にお手続きお願い致します。ご連絡やお手続き頂けない場合には、「落札者都合」による落札者様の削除(キャンセル)をさせて頂く場合がございます。自動的にYahooより「非常に悪い」の評価が付いてしまいますのでご注意下さい。
●保証に関して初期不良期間、保証期間と分けて保証条件を分けて設けております。
商品に応じて保証期間は異なります。商品詳細の保証期間をご確認下さい。
詳しい保証内容については必ず
コチラ 保証のご案内をご一読ください。
【お取引の流れについて】
(1)商品の入札
ヤフオクの入札方法は
コチラをご覧ください。
(2)ヤフオクからの落札メール
ヤフオクより【落札通知メール】が届きます。
落札通知内の【出品者からのメッセージ】にお取引手順が記載されてますのでご確認下さい。
・お支払方法が代引きの場合 お手続きは以上です。商品到着までしばらくお待ち下さい。
・お支払い方法が銀行振込・ クレジットカード決済の場合当社でご入金、ご決済の確認がとれましたら発送いたします。商品到着までしばらくお待ち下さい。
(3)商品の発送 配送メールにて運送番号や到着予定日等が届きます。
(4)商品到着後 商品到着後は、必ず内容物の速やかな確認をお願い致します。
●その他 パッケージにダメージがある場合が御座います。
写真撮影の為、パッケージを開封する場合が御座います。
クーポンのご利用方法については
コチラをご覧ください。
●お問い合わせ先
株式会社エスオーエル
〒221-0031
神奈川県横浜市神奈川区新浦島町一丁目1番地25
GRC横浜ベイリサーチパーク 10階
TEL:045-450-6217 / 045-450-6218
FAX:045-330-4015
e-mail:
sol-info1@s-o-l.co.jp 営業時間:10:00~18:00
(土・日・祝祭日を除く)
●出荷倉庫
株式会社エスオーエル パーツセンター
〒292-0824
千葉県木更津市小浜276-3