返回顶部
{ha} ★☆ ハコスカ ヒーター 周りに付く ホース 1本 新品 ☆★拍卖
  • {$data['title']拍卖
  • {$data['title']拍卖
  • {$data['title']拍卖
X
{ha} ★☆ ハコスカ ヒーター 周りに付く ホース 1本 新品 ☆★
{$data['title']拍卖 {$data['title']拍卖 {$data['title']拍卖
收藏该商品
{ha} ★☆ ハコスカ ヒーター 周りに付く ホース 1本 新品 ☆★
商品编号:1136781002 【浏览原始网页】
当前价:RMB 107
加价单位:100日元
出价:0 直 购 价:RMB 111.54
商品件数:1
商品成色:新品
日本邮费:买家承担
可否退货:不可以
开始时间:2025-10-14 21:11:21
结束时间:2025-10-21 21:11:21
自动延长:有可能
提早结束:有可能
划词翻译上线,鼠标选择文字自动翻译,翻译内容仅供参考,如有疑问请咨询小觅翻译。

カーショップオモテ パーツ販売3号店


パーツ説明
お問い合わせ
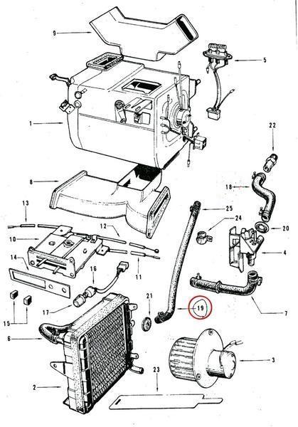
ヒーター周りに付くホース 1本「新品」日産純正部品です。
※画像4枚目の赤丸箇所に付くパーツです。

■注意■
『落札価格に別途消費税が掛かります』
※即決価格の場合でも別途消費税が掛かります。

■日産純正部品オーダー承りますので、お気軽にお問合せください。
info@carshop-omote.comまでお気軽にお問い合わせください。
お問い合わせの際はパーツ名・オークションID(出品番号)を忘れずに入れてください。
この商品の送料
注意事項
■このパーツの送料は、全国一律1800円です。
*但し、沖縄・離島は別料金となります。
輸送に掛かる日数は、 こちら をご覧ください。
※配達指定は出来ませんので、ご了承下さい。

☆~ 時間指定をご希望の方・お急ぎの方は、下記をご利用ください ~☆
■このパーツのサイズは「 ①サイズ 」です。
右の[ 送 料 表 ]
をクリックしてご覧下さい。

*代引きの場合、佐川急便さん発送となり送料が異なります。また代引き手数料が掛かります。
・代引き手数料表
代引き(eコレクト)クレジットカードご利用の際は事前にお知らせください。
パーツは細心の注意をして出品・梱包・発送致しますが、万が一不良品があった場合は、お届けより7日間以内にご連絡下さい。代替品をご用意させて頂くか、代金をお返しさせて頂きます。
「但し」交換等にかかる工賃・部品代等の責任はみれませんので、予めご了承の上ご入札下さい。
発送方法
支払詳細
■業務の混乱を避ける為、当社指定の発送方法および運送会社さんとなります。

■運賃着払いおよびお客様から指定する運送会社での発送は行ってませんので、予めご了承下さい。

●ご入金が午後3時までの確認分までは当日発送となりますが、3時以降の確認分からは翌日発送になりますのでご了承ください。
「但し」日曜日・祝祭日・年末年始などの休業日を除きます。

・クレジットカード払い
・コンビニ(セブン-イレブン)
・コンビニ(ファミリーマート、ローソン、その他)
・北見信用金庫
・PayPay銀行
・ゆうちょ銀行
・楽天銀行
・佐川急便代引き(eコレクト)
 eコレクト手数料表
eコレクトクレジットカードご利用の際は事前にお知らせください。
営業許可免許
-取扱・加盟-
古物商許可商証   釧防   第18号
公正取引委員会会員      第01G-6-61号
自動車分解整備事業認証   第6-520号
自動車解体業 許可番号    第20013 000819号
産業廃棄物収集運搬業認証 第0110112564号
亀有エンジンワークス ・ 日産部品 ・ リスタード
ファインパーツJU釧路釧路地方自動車整備振興会


お知らせ


(*^-^*) 日産旧車パーツ多数出品中です!! 是非お立寄り下さい(*^-^*)
出品中の商品はこちら

~*~当社2号店 是非お立寄り下さい!~*~
マイ・オークションをごらんください


オモテへ オモテ オモテへ
(有)カーショップ オモテ

〒084-0912 北海道釧路市星が浦大通5丁目4番3号
TEL:0154-51-2039
FAX:0154-51-2078
E-MAIL:info@carshop-omote.com


正在加载数据,请稍后……

卖家信息
温馨提示:

omo********
11211 3
北海道 釧路市
51买JP提醒
常见问题

出价竞拍

本   品   现   价:2100.00日元(RMB106.47元)
本次加价至少为:100日元
出 价 金 额: 日元
出 价 件 数:
折合人民币: 0元
 
温馨提示:本品商家好评为11211,差评为3,供参考使用,出价成功后不能弃标,弃标要扣除弃标费用。

预约出价

本   品   现   价:2100.00日元(RMB106.47元)
本次加价至少为:100日元
为避免被人恶意抬价,您出的价格会在结束前十五分钟由系统进行出价,也为您节省了宝贵的时间
出 价 金 额:  日元
出 价 件 数:
折合人民币: 0元
 
温馨提示:本品商家好评为11211,差评为3,供参考使用,出价成功后不能弃标,弃标要扣除弃标费用。

直接购买

本次直接购买价为:2200.00日元(RMB111.54元)
直购价: 日元
出价件数:
 
温馨提示:本品商家好评为11211,差评为3,供参考使用,出价成功后不能弃标,弃标要扣除弃标费用。

会员等级说明

查看详细>> 您需要升级保证金后方可出价竞拍
关闭
前去升级保证金