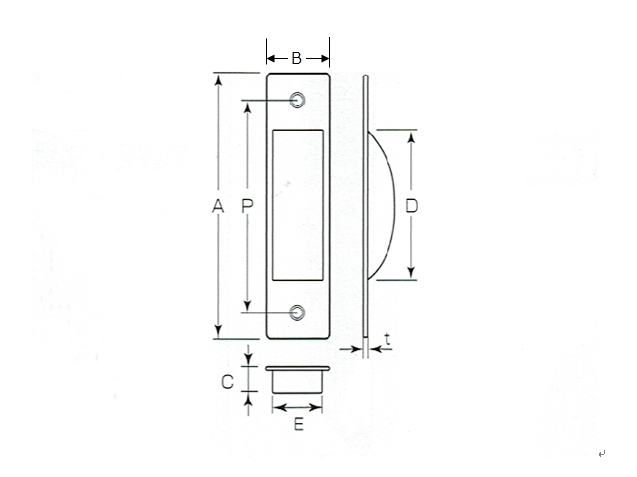
- 75mm/ステンレス製/チリ出し戸引手/チリ出戸引手/船底引手/引手
- 商品编号:1155239849 【浏览原始网页】
当前价:RMB 9
加价单位:10日元
日 元:
出价:0次
直 购 价:RMB 8.91











![{$data['title']拍卖](http://yahooimg2.ymibuy.cn/i/auctions.c.yimg.jp/images.auctions.yahoo.co.jp/image/dr000/auc0510/user/ad284c1f963b06a9b710c13513b01d60ff124d208f4f94d994e7000ece67b346/i-img1200x900-1727876688099052c0ab21587.jpg)
![{$data['title']拍卖](http://yahooimg2.ymibuy.cn/i/auctions.c.yimg.jp/images.auctions.yahoo.co.jp/image/dr000/auc0510/user/ad284c1f963b06a9b710c13513b01d60ff124d208f4f94d994e7000ece67b346/i-img637x477-17278766926908sigsxx21297.jpg)
