当前位置:首页
> 摩托车
> 配件
> 汽车| 摩托车
> 摩托车制造商
> KAWASAKI用
> KAWASAKI
> 純正品
> 方向燈
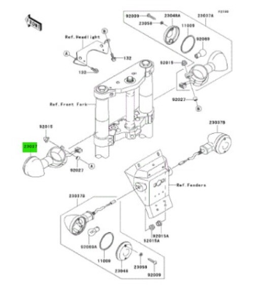
> カワサキ バルカン 1500 ミーン ストリーク フロントシグナルランプ 左 Lamp Signal Fr Lh 23037-1405 KAWASAKI Genuine JDM 未使用 純正
- カワサキ バルカン 1500 ミーン ストリーク フロントシグナルランプ 左 Lamp Signal Fr Lh 23037-1405 KAWASAKI Genuine JDM 未使用 純正
- 商品编号:e1196187526 【浏览原始网页】
当前价:RMB 613
加价单位:500日元
日 元:
出价:0次
直 购 价:RMB 612.91











![{$data['title']拍卖](http://yahooimg2.ymibuy.cn/i/auctions.c.yimg.jp/images.auctions.yahoo.co.jp/image/dr000/auc0108/user/07e4c0721eaefbd080c4bc255ef6301452858754c6448b5d65672f608aac5669/i-img500x600-1755044821225085wtoo6u8.jpg)