当前位置:首页
> 汽车| 摩托车
> 零件
> 卡车,转储,建筑机械专用
> 工程机械,重型设备
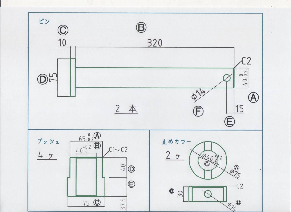
> NO.926 φ40用 バケットピン一式 2セット分 バケットピン2本 ブッシュ 4個 止めカラー2個(リンクストッパー) ボルトナットセット
- NO.926 φ40用 バケットピン一式 2セット分 バケットピン2本 ブッシュ 4個 止めカラー2個(リンクストッパー) ボルトナットセット
- 商品编号:f1024725509 【浏览原始网页】
当前价:RMB 2348
加价单位:500日元
日 元:
出价:0次










