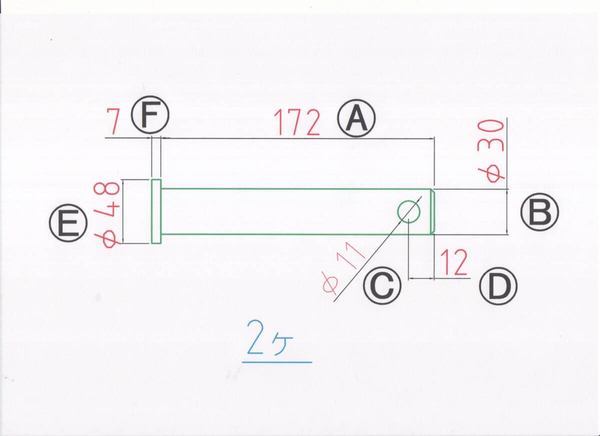
- NO 1844 Φ30用 ツバ下172mm バケットピン 2本 1セット
- 商品编号:h1150233455 【浏览原始网页】
当前价:RMB 621
加价单位:500日元
日 元:
出价:0次
直 购 价:RMB 625.65










