当前位置:首页
> 汽车| 摩托车
> 零件
> 发动机,增压,冷却系统
> 汽车制造商
> Lexus
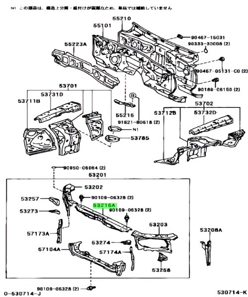
> レクサス 純正 IS300 アルテッツァ ジータ ラジエータ サポート UPR LEXUS ALTEZZA GITA SUPPORTRADIATORUPPER 53216-53011 Genuine 未使用
- レクサス 純正 IS300 アルテッツァ ジータ ラジエータ サポート UPR LEXUS ALTEZZA GITA SUPPORTRADIATORUPPER 53216-53011 Genuine 未使用
- 商品编号:l1186173571 【浏览原始网页】
当前价:RMB 541
加价单位:500日元
日 元:
出价:0次
直 购 价:RMB 540.29











![{$data['title']拍卖](http://yahooimg2.ymibuy.cn/i/auctions.c.yimg.jp/images.auctions.yahoo.co.jp/image/dr000/auc0105/user/07e4c0721eaefbd080c4bc255ef6301452858754c6448b5d65672f608aac5669/i-img500x600-1748132106204844qovmxg8.jpg)