当前位置:首页
> 摩托车
> 配件
> 汽车| 摩托车
> 发动机,冷却系统
> 本田用
> 其他
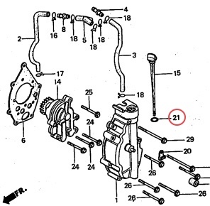
> 送料無料 ホンダ純正新品 CB750F RC04 オイルレベルゲージ Oリング パッキン オイル フィラー キャップ ガスケット エンジン 89
- 送料無料 ホンダ純正新品 CB750F RC04 オイルレベルゲージ Oリング パッキン オイル フィラー キャップ ガスケット エンジン 89
- 商品编号:n1182439840 【浏览原始网页】
当前价:RMB 50
加价单位:100日元
日 元:
出价:0次
直 购 价:RMB 49.50











![{$data['title']拍卖](http://yahooimg2.ymibuy.cn/i/auctions.c.yimg.jp/images.auctions.yahoo.co.jp/image/dr000/auc0104/user/068ebd7fc86c6b45add258ab98f6ecd6a36e9afef0551e338b88e29723b4a463/i-img296x290-1745577096856619qvzenx23.jpg)