当前位置:首页
> 汽车| 摩托车
> 零件
> 发动机,增压,冷却系统
> MITSUBISHI
> 引擎,增壓器
> 引擎零件
> 汽车制造商
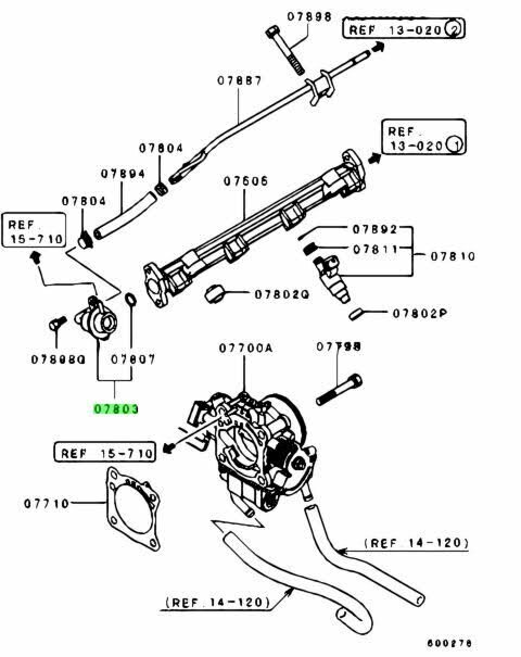
> ★新品 三菱 CN9A CP9A ランサーエボリューション 4 5 6 純正 燃圧 プレッシャーレギュレーター MPI Delivery Pipe Pressure Regulator
- ★新品 三菱 CN9A CP9A ランサーエボリューション 4 5 6 純正 燃圧 プレッシャーレギュレーター MPI Delivery Pipe Pressure Regulator
- 商品编号:p1199703027 【浏览原始网页】
当前价:RMB 782
加价单位:500日元
日 元:
出价:0次
直 购 价:RMB 781.46











![{$data['title']拍卖](http://yahooimg2.ymibuy.cn/i/auctions.c.yimg.jp/images.auctions.yahoo.co.jp/image/dr000/auc0109/user/e74b176e0aac0ba5ec9c35e7ce4d3f42e19bed69f2ddbca70b20625d6390ed78/i-img480x605-17575084403095c3bbpj1019.jpg)
