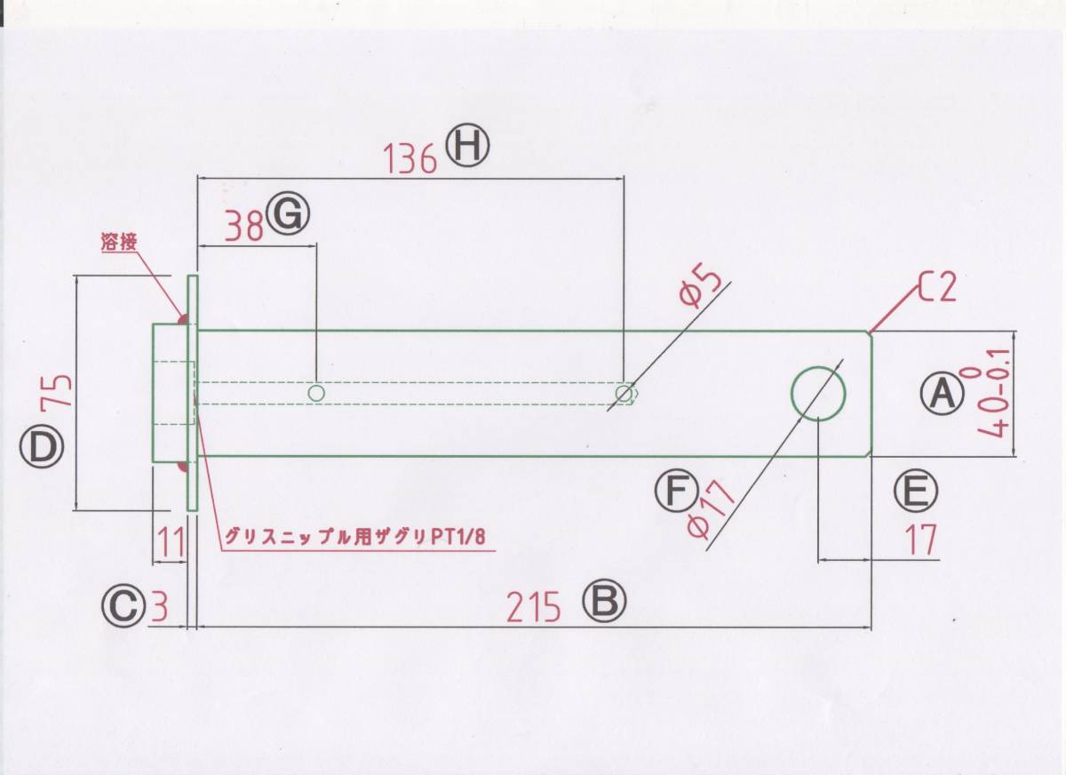
- NO192 Φ40用 溶接ツバ下215mm ニップル穴付きバケットピン 重機 パワーショベル
- 商品编号:q450152017 【浏览原始网页】
当前价:RMB 408
加价单位:250日元
日 元:
出价:0次
直 购 价:RMB 412.25










