当前位置:首页
> 摩托车
> 配件
> 汽车| 摩托车
> 摩托车制造商
> HONDA用
> HONDA
> 純正品
> 前大燈
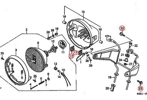
> 送料無料 ホンダ純正新品 CB750F RC04 ヘッドライト ケース ボルト ナット セット ライト ライトステー ヨシムラ フレーム BEET 821
- 送料無料 ホンダ純正新品 CB750F RC04 ヘッドライト ケース ボルト ナット セット ライト ライトステー ヨシムラ フレーム BEET 821
- 商品编号:r1202823877 【浏览原始网页】
当前价:RMB 288
加价单位:250日元
日 元:
出价:0次
直 购 价:RMB 287.10











![{$data['title']拍卖](http://yahooimg2.ymibuy.cn/i/auctions.c.yimg.jp/images.auctions.yahoo.co.jp/image/dr000/auc0110/user/068ebd7fc86c6b45add258ab98f6ecd6a36e9afef0551e338b88e29723b4a463/i-img482x327-17597156028964481cz69p32.jpg)