当前位置:首页
> 摩托车
> 配件
> 汽车| 摩托车
> 脚踏板(后移组)
> YAMAHA
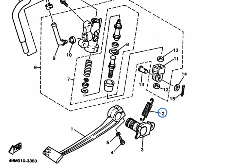
> 送料無料 ヤマハ純正新品 XJR400 XJR400R 4HM 前期用 リアブレーキ リターンスプリング ブレーキペダル バネ マスターシリンダー リヤ 626
- 送料無料 ヤマハ純正新品 XJR400 XJR400R 4HM 前期用 リアブレーキ リターンスプリング ブレーキペダル バネ マスターシリンダー リヤ 626
- 商品编号:s1189935592 【浏览原始网页】
当前价:RMB 90
加价单位:100日元
日 元:
出价:0次
直 购 价:RMB 89.10











![{$data['title']拍卖](http://yahooimg2.ymibuy.cn/i/auctions.c.yimg.jp/images.auctions.yahoo.co.jp/image/dr000/auc0106/user/068ebd7fc86c6b45add258ab98f6ecd6a36e9afef0551e338b88e29723b4a463/i-img750x552-1750672328908560r917e131.jpg)