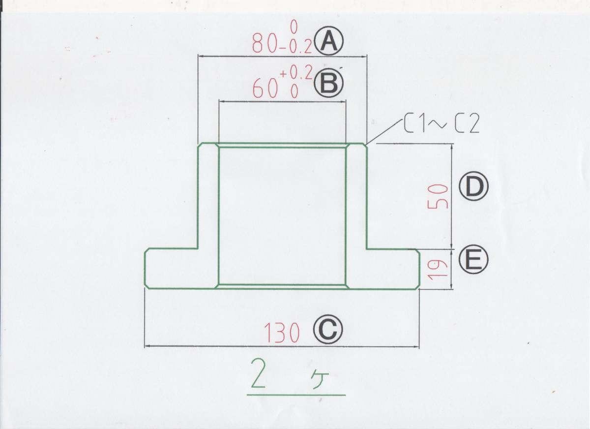
- NO426 Φ60用 ブッシュ アタッチメント 2個 1セット 重機用
- 商品编号:t1019370441 【浏览原始网页】
当前价:RMB 951
加价单位:500日元
日 元:
出价:0次
直 购 价:RMB 955.45










