当前位置:首页
> 摩托车
> 配件
> 汽车| 摩托车
> 化油器,喷射
> 铃木用
> 化油器
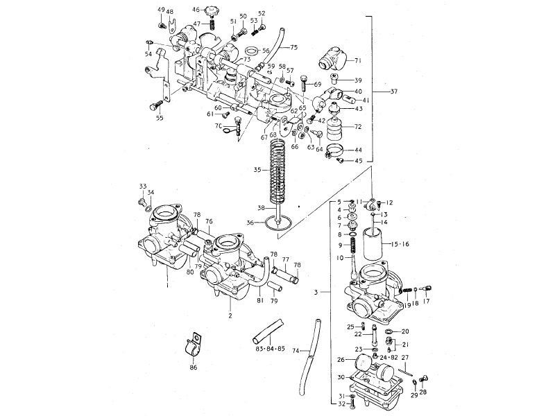
> 新品 GT380 サンパチ 後期用 キャブレター フロートチャンバー ラバー ガスケット 1台分
- 新品 GT380 サンパチ 後期用 キャブレター フロートチャンバー ラバー ガスケット 1台分
- 商品编号:t1206528515 【浏览原始网页】
当前价:RMB 75
加价单位:100日元
出价:0次
直 购 价:RMB 74.25











![{$data['title']拍卖](http://yahooimg2.ymibuy.cn/i/auctions.c.yimg.jp/images.auctions.yahoo.co.jp/image/dr000/auc0111/user/04d27032d61e58a49066820ab3bd38e53125e71728ad5f1442a3b441749a779e/i-img800x600-17622282204369vckqsy165923.jpg)