当前位置:首页
> 汽车| 摩托车
> 零件
> 汽车厂商
> NISSAN
> 電裝品
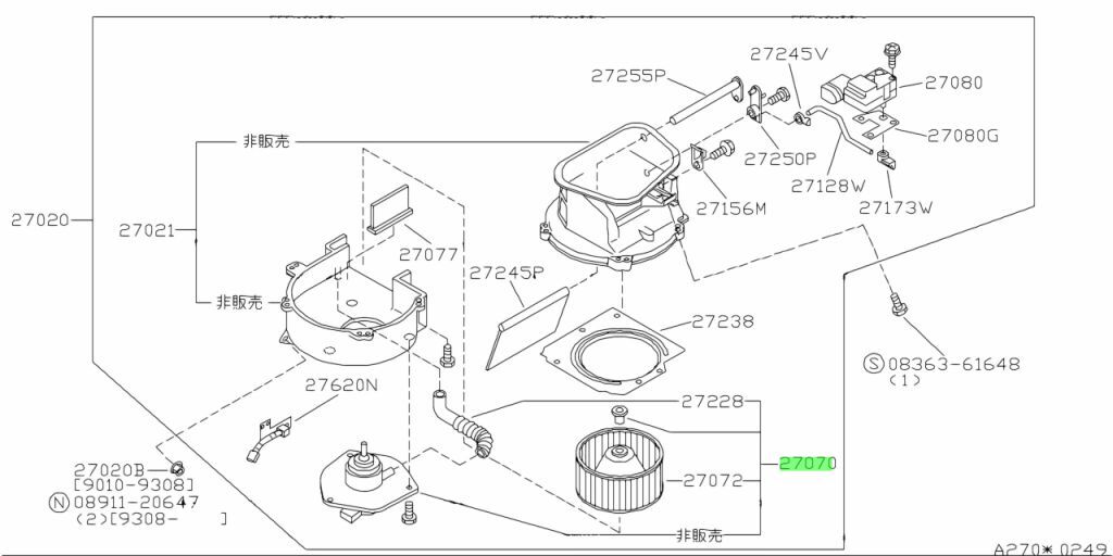
> ●新品 未使用●日産 純正品 R32 スカイライン GT-R エアコンブロアファンモーター ヒーターブロア BNR32 GTR C33 ローレル A31セフィーロ
- ●新品 未使用●日産 純正品 R32 スカイライン GT-R エアコンブロアファンモーター ヒーターブロア BNR32 GTR C33 ローレル A31セフィーロ
- 商品编号:t1208583840 【浏览原始网页】
当前价:RMB 6010
加价单位:1000日元
日 元:
出价:0次
直 购 价:RMB 6062.50











![{$data['title']拍卖](http://yahooimg2.ymibuy.cn/i/auctions.c.yimg.jp/images.auctions.yahoo.co.jp/image/dr000/auc0111/user/e05b56502ddc4ac2a81fcfe008007c9940971a7d98fb0e6ffc4abca180b4faf0/i-img1024x512-17636357553157zzhuia34.jpg)