当前位置:首页  
                                > 汽车| 摩托车
                                > 零件
                                > 刹车
                                > 丰田汽车
                                > 其他
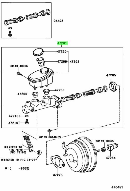
                 > ★新品 TOYOTA トヨタ JZA80 スープラ 純正 ブレーキマスターシリンダー SUB-ASSY マスター シリンダ 1993/05-2002/08 Supra
                
                                                - ★新品 TOYOTA トヨタ JZA80 スープラ 純正 ブレーキマスターシリンダー SUB-ASSY マスター シリンダ 1993/05-2002/08 Supra
- 商品编号:u1140281960 【浏览原始网页】
当前价:RMB 1952
                                    加价单位:500日元
                                日  元:
                                    
                                
                                    出价:0次
                                    直  购 价:RMB 1996.48                                
                            
                                
                            










![{$data['title']拍卖](http://yahooimg2.ymibuy.cn/i/auctions.c.yimg.jp/images.auctions.yahoo.co.jp/image/dr000/auc0507/users/8f4bdd88a479d069970a379d4af2f61e054b026c/i-img525x768-172242346296brhf27.jpg)

 
                             
                             
                            