当前位置:首页
> 汽车| 摩托车
> 零件
> 装饰品
> MAZDA
> 汽车由
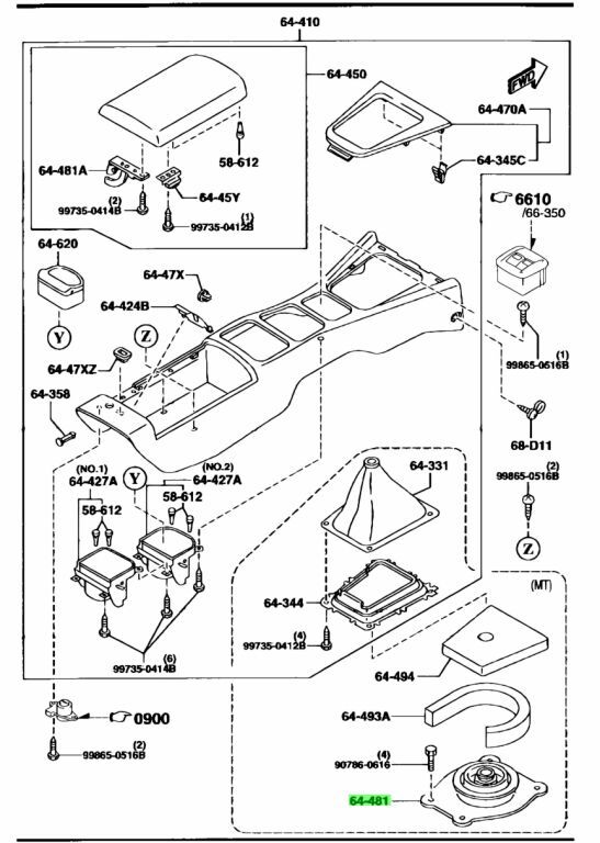
> ●未使用 マツダ NB6CNB8C NA8C ロードスター 純正 シフトレバー チェンジ インシュレーターNO.1 MAZDA Change Insulator No.1
- ●未使用 マツダ NB6CNB8C NA8C ロードスター 純正 シフトレバー チェンジ インシュレーターNO.1 MAZDA Change Insulator No.1
- 商品编号:u1147364841 【浏览原始网页】
当前价:RMB 237
加价单位:100日元
日 元:
出价:0次
直 购 价:RMB 236.96











![{$data['title']拍卖](http://yahooimg2.ymibuy.cn/i/auctions.c.yimg.jp/images.auctions.yahoo.co.jp/image/dr000/auc0508/user/e74b176e0aac0ba5ec9c35e7ce4d3f42e19bed69f2ddbca70b20625d6390ed78/i-img547x768-17235598790203mlf1vb159697.jpg)
