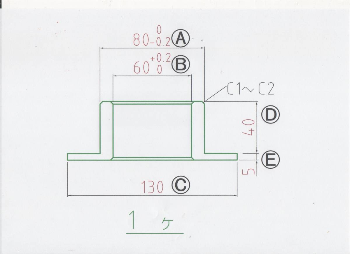
- NO 465 Φ60用 ブッシュ アタッチメント 重機用 片側のみ
- 商品编号:u431510926 【浏览原始网页】
当前价:RMB 563
加价单位:500日元
日 元:
出价:0次
直 购 价:RMB 567.45










