当前位置:首页
> 汽车| 摩托车
> 零件
> 汽车厂商
> BMW
> 電裝品
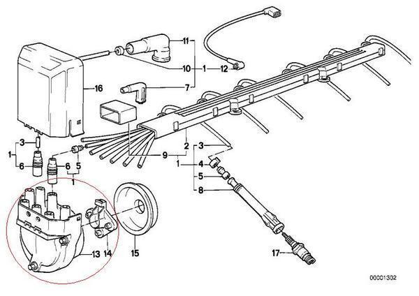
> BMW E30 E28 E34 E24 E32 E38 E31 デスビキャップ デスビローター セット 12111715905 / 12111715906 新品 即納 BOSCH製
- BMW E30 E28 E34 E24 E32 E38 E31 デスビキャップ デスビローター セット 12111715905 / 12111715906 新品 即納 BOSCH製
- 商品编号:v1144092184 【浏览原始网页】
当前价:RMB 1176
加价单位:500日元
出价:0次
直 购 价:RMB 1175.10











![{$data['title']拍卖](http://yahooimg2.ymibuy.cn/i/auctions.c.yimg.jp/images.auctions.yahoo.co.jp/image/dr000/auc0507/users/d051604f247d3d4bd0fec6bdc1ec9462938abba4/i-img600x424-1720597620hacetl335975.jpg)

