当前位置:首页
> 0
> 26318
> 26322
> 2084005142
> 2084015630
> 2084017062
> 2084302397
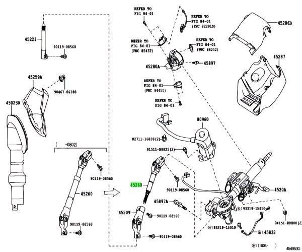
> トヨタ 純正 ノア ヴォクシー ステアリングインタミディエイト シャフト NO.2 SHAFTSTEERINGINTERMEDIATE 45260-28130 TOYOTA LEXUS 未使用
- トヨタ 純正 ノア ヴォクシー ステアリングインタミディエイト シャフト NO.2 SHAFTSTEERINGINTERMEDIATE 45260-28130 TOYOTA LEXUS 未使用
- 商品编号:w1192001777 【浏览原始网页】
当前价:RMB 1086
加价单位:500日元
日 元:
出价:0次
直 购 价:RMB 1138.10











![{$data['title']拍卖](http://yahooimg2.ymibuy.cn/i/auctions.c.yimg.jp/images.auctions.yahoo.co.jp/image/dr000/auc0107/user/07e4c0721eaefbd080c4bc255ef6301452858754c6448b5d65672f608aac5669/i-img600x500-175206818442905zkgaw45342.jpg)