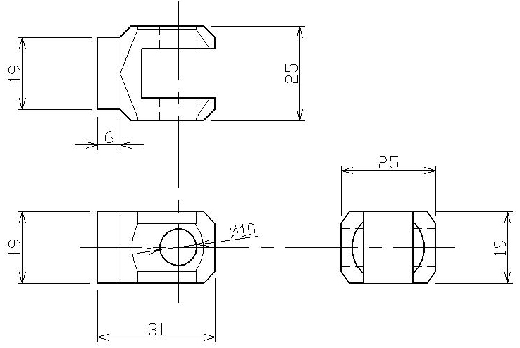
- 新品 製作用ペグマウント クレビス 国内生産 溶接性良好
- 商品编号:w1204744674 【浏览原始网页】
当前价:RMB 205
加价单位:100日元
日 元:
出价:0次
直 购 价:RMB 204.86











![{$data['title']拍卖](http://yahooimg2.ymibuy.cn/i/auctions.c.yimg.jp/images.auctions.yahoo.co.jp/image/dr000/auc0110/user/7662621997a9cb50694ef70fc580a02c3419fb0a685a1aee1924764db793836f/i-img738x494-17610167643111357mfzhj31.jpg)