返回顶部
NO 81 Φ60用 ブッシュ アタッチメント 1個 片側のみ 重機用 バケット ピン パワーショベル用拍卖
X
NO 81 Φ60用 ブッシュ アタッチメント 1個 片側のみ 重機用 バケット ピン パワーショベル用
收藏该商品
NO 81 Φ60用 ブッシュ アタッチメント 1個 片側のみ 重機用 バケット ピン パワーショベル用
商品编号:x667214821 【浏览原始网页】
当前价:RMB 765
加价单位:500日元
日  元:
出价:0
商品件数:1
商品成色:新品
日本邮费:买家承担
可否退货:不可以
开始时间:2025-10-03 10:00:34
结束时间:2025-10-10 10:00:34
自动延长:有可能
提早结束:有可能
划词翻译上线,鼠标选择文字自动翻译,翻译内容仅供参考,如有疑问请咨询小觅翻译。
NO 81   Φ60用 ブッシュ アタッチメント  1個 重機用 バケット ピン パワーショベル用

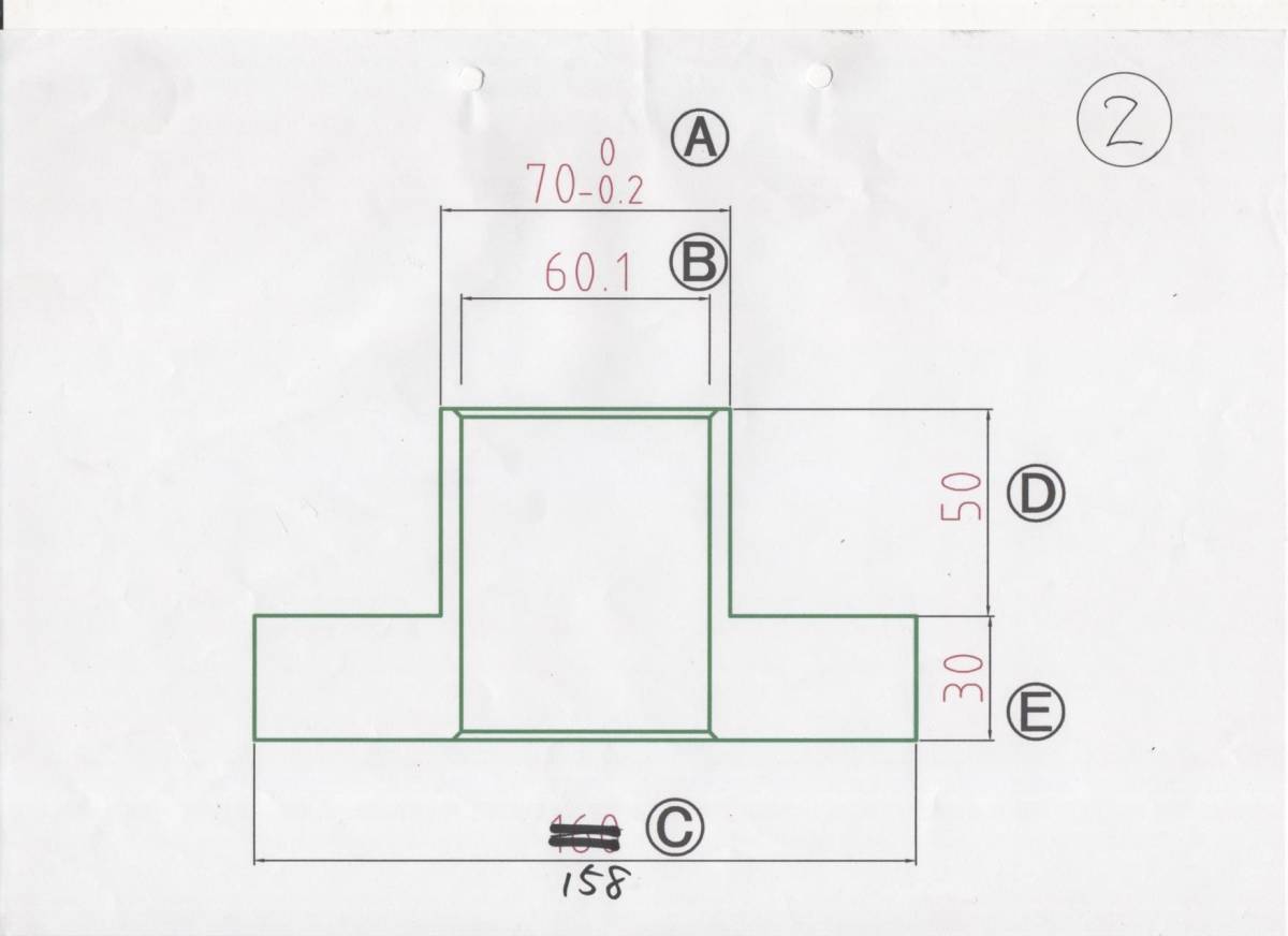
写真はパワーショベル用のブッシュで材質はS45Cとなっております。

仮図に現在の掲載商品の寸法をA~Eまでの寸法表示で記載しております。


この商品以外でお気になる方がおられましたらAが○○mm Bが○○mm ~ Eが○○mmとご質問を頂ければお見積り可能です。


現場へ直接発送も可能ですので、その際には宛先を現場にてお願いいたします。


決済方法で代金引き換えも可能です。

その際には取引メッセージにて商品代金と送料/代引き手数料をお伝えいたしますので、

通常のヤフオクでの決済にはなりませんので宜しくお願いいたします。

 
領収書の発行は可能です。宜しくお願い致します。
 
サイズは80サイズで発送する予定ですので下記を参照して下さい。
 
また土曜日、日曜日の発送は行っておりませんのでご了承ください。


 
個人様向け 佐川急便・福山通運 クロネコヤマト送料一覧(税込)

(単位:円)
サイズ北海道北東北南東北関東信越中部北陸関西中国四国九州沖縄
北海道青森県
秋田県
岩手県
宮城県
山形県
福島県
茨城県
栃木県
群馬県
埼玉県
千葉県
神奈川県
東京都
山梨県
新潟県
長野県
静岡県
愛知県
三重県
岐阜県
富山県
石川県
福井県
大阪府
京都府
滋賀県
奈良県
和歌山県
兵庫県
岡山県
広島県
山口県
鳥取県
島根県
香川県
徳島県
愛媛県
高知県
福岡県
佐賀県
長崎県
熊本県
大分県
宮崎県
鹿児島県
沖縄県
60(2kg)18101370137011501150104010409309309309301370
80(5kg)203015901590137013701260126011501150115011501920
100(10kg)227018301830161016101500150013901390139013902490
120(15kg)249020502050183018301720172016101610161016103040
140(20kg)273022902290207020701960196018501850185018503610
160(25kg)2950251025102290229021802180206702070207020704160

 
福山通運との契約により法人様宛に対しては上記の送料表より安価になります。
 
法人様に落札された場合には配送方法で福山通運さんを選ばれるとお得になります。
 
 
福山通運 会社・屋号・法人様 向け送料一覧(税込)

 
(単位:円)
サイズ
北海道北東北南東北関東信越中部北陸関西中国四国九州沖縄
北海道青森県
秋田県
岩手県
宮城県
山形県
福島県
茨城県
栃木県
群馬県
埼玉県
千葉県
神奈川県
東京都
山梨県
新潟県
長野県
静岡県
愛知県
三重県
岐阜県
富山県
石川県
福井県
大阪府
京都府
滋賀県
奈良県
和歌山県
兵庫県
岡山県
広島県
山口県
鳥取県
島根県
香川県
徳島県
愛媛県
高知県
福岡県
佐賀県
長崎県
熊本県
大分県
宮崎県
鹿児島県
60(2kg)15401320132011001100880880880660770880
80(5kg)16501430143012101210990990990715825
990
100(10kg)1760143014301320132011001100
1100
88010451100

120(15kg)17601650163014301430121012101210
990
11551210
140(20kg)18701760176016501650132013201320110012651320
160(25kg)19801870187017601760143014301430121013201430

正在加载数据,请稍后……

卖家信息
温馨提示:

ポメ太郎
2121 0
不是
広島県
51买JP提醒
常见问题

出价竞拍

本   品   现   价:14900.00日元(RMB764.37元)
本次加价至少为:500日元
出 价 金 额: 日元
出 价 件 数:
折合人民币: 0元
 
温馨提示:本品商家好评为2121,差评为0,供参考使用,出价成功后不能弃标,弃标要扣除弃标费用。

预约出价

本   品   现   价:14900.00日元(RMB764.37元)
本次加价至少为:500日元
为避免被人恶意抬价,您出的价格会在结束前十五分钟由系统进行出价,也为您节省了宝贵的时间
出 价 金 额:  日元
出 价 件 数:
折合人民币: 0元
 
温馨提示:本品商家好评为2121,差评为0,供参考使用,出价成功后不能弃标,弃标要扣除弃标费用。

直接购买

本次直接购买价为:0日元(RMB0元)
直购价: 日元
出价件数:
 
温馨提示:本品商家好评为2121,差评为0,供参考使用,出价成功后不能弃标,弃标要扣除弃标费用。

会员等级说明

查看详细>> 您需要升级保证金后方可出价竞拍
关闭
前去升级保证金